

- Весь каталог
- Автогаражное оборудование
- Кабели, провода и аксессуары
- Низковольтное и промышленное электрооборудование
- Инструмент, измерительные приборы и средства защиты
- Электроустановочные изделия
- Освещение
- Высоковольтное и щитовое оборудование
- Генераторы электроэнергии и элементы питания
- Кабеленесущие системы
- Электронные компоненты
- Изделия для электромонтажа
- Связь, телекоммуникации
- Климатические и инженерные системы
- Устройства и средства безопасности
- Инструменты, техника
- Для строительства и дома
- Все для сада
Низковольтное оборудование
- Сигнальные лампы и зуммеры (2520)
- Дополнительные устройства модульной системы (811)
- Низковольтные устройства различного назначения и аксессуары (619)
- Предохранители (2624)
- Сигнальные колонны (164)
- Источники питания, трансформаторы (4171)
- Кнопки управления (2705)
- Контакторы, пускатель магнитный (17336)
- Переключатели (4924)
- Посты управления и джойстики (595)
- Преобразователи частоты, устройства плавного пуска (2894)
- Приборы измерения и учета (2776)
- Выключатель автоматический силовой (50627)
- Выключатели дифференцальные модульные (4833)
- Выключатели нагрузки (рубильники) (5572)
- Выключатель автоматический модульный (14517)
Инструмент ручной, средства для монтажа
- Ударно-рычажный инструмент (102)
- Биты, адаптеры и переходники (287)
- Для штукатурно-отделочных работ (60)
- Столярно-слесарный инструмент (140)
- Шарнирно-губцевый инструмент (817)
- Система хранения инструмента (113)
- Садовый инструмент и инвентарь (188)
- Расходные материалы (561)
- Приспособления для прокладки кабеля (54)
- Отвертки (232)
- Набор ручных инструментов (430)
- Лестницы, стремянки, подъемные механизмы (348)
- Ключи (227)
- Измерительные инструменты (152)
Светотехника
- Аппаратура пускорегулирующая (2648)
- Аварийное освещение и световые указатели (10292)
- Аксессуары для светильников (5195)
- Взрывозащищенные световые приборы (3621)
- Иллюминационное, декоративное освещение (2993)
- Светильники для освещения высоких пролётов и туннелей (2204)
- Светильники линейные, для модульных и магистральных систем освещения (2058)
- Фонари и переносные световые приборы (1004)
- Лента светодиодная и комплектующие (6450)
- Опоры, мачты освещения (8503)
- Прожекторы и светильники направленного света (19444)
- Светильники наружного освещения (13841)
- Светильники настенно-потолочные (40237)
- Светильники настольные, напольные, станочные (1041)
Щиты и шкафы, шинопровод
- Корпуса щитов и шкафов (3765)
- Климатическое оборудование для щитов и шкафов (867)
- Телекоммуникационные шкафы и аксессуары (2913)
- Шинопровод (1483)
- Шкафы сборной конструкции (5490)
- Аксессуары и комплектующие для щитов и шкафов (6029)
- Клеммные зажимы (272)
- Комплектное щитовое оборудование (2039)
- Системы сборных шин (1853)
- Щиты и панели для счетчиков электроэнергии (178)
Системы для прокладки кабеля
- Система гибких кабель-каналов (12)
- Указатели напряжения и устройства безопасности (95)
- Кабель-каналы напольные и аксессуары (79)
- Кабель-каналы настенные (парапетные, для монтажа ЭУИ) и аксессуары (1169)
- Кабель-каналы плинтусные и аксессуары (75)
- Лоток кабельный лестничный (17887)
- Огнестойкие кабель-каналы (549)
- Системы монтажные несущие (17712)
- Трубы для прокладки кабеля (3487)
- Аксессуары для металлических лотков универсальные (16313)
- Кабель-каналы монтажные и аксессуары (1581)
- Рукава для защиты кабеля (1981)
- Кабель-каналы перфорированные и аксессуары (272)
- Лоток кабельный листовой (41456)
- Лоток кабельный проволочный (602)
Микросхемы
- Микросхемы обработки видео и звука (161)
- Микросхемы памяти (1415)
- Микросхемы программируемой логики (64)
- Микросхемы управления питанием (4624)
- Микросхемы различного назначения (22)
- Радиочастотные микросхемы (RF) (220)
- Усилители и компараторы (2308)
- Логические микросхемы (1817)
- ЦАП, АЦП, Кодеки, Преобразователи (1116)
- Интерфейсы (2204)
- Тактовые генераторы, таймеры (229)
- Микросхемы для бытовой аппаратуры (1026)
- Сигнальные процессоры (DSP) (18)
- Драйверы и ключи (1258)
- Аналоговые ключи и мультиплексоры (473)
- Микроконтроллеры (1146)
Отопительные приборы, вентиляция, технологические и инженерные системы
- Электрические приводы и двигатели (1965)
- Вентиляторы (380)
- Водонагреватели (352)
- Водоснабжение (366)
- Кондиционеры и аксессуары (801)
- Оборудование для сауны (бани) (7)
- Система водяного отопления (118)
- Система электрического отопления (913)
- Системы альтернативного отопления (20)
- Системы вентиляции (515)
- Терморегуляторы, термостаты, приборы управления обогревом (456)
- Кабель нагревательный и аксессуары (2545)
Инструмент, измерительные приборы и средства защиты
- Электроинструменты и аксессуары для них (1020)
- Электроизмерительные приборы (322)
- Указатели напряжения и устройства безопасности (75)
- Рабочая одежда, средства защиты (175)
- Предохранители (6)
- Оборудование для протяжки кабеля (110)
- Инструменты для опрессовки, резки, снятия изоляции (735)
- Инструмент ручной, средства для монтажа (3350)
Садовый инструмент и инвентарь
- Колышки садовые (80)
- Топоры и колуны (662)
- Секаторы (500)
- Сетки садовые (70)
- Скреперы и движки для уборки снега (98)
- Совки для золы (14)
- Сучкорезы (188)
- Тапенеры (6)
- Тачки (136)
- Для обработки почвы (551)
- Кусторезы (76)
- Подвязочный материал (86)
- Лопаты (1437)
- Буры (46)
- Ведра (494)
- Вилы (80)
- Грабли (483)
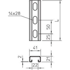
Консоль кабельная КСЗ-140-20 цУТ1.5 гор. оцинк. КЭМЗ 471 541406 19
- Гарантийный срок
- 36 месяцев
- Группа товара
- Кабеленесущие системы
- Вид товара
- Кронштейн для кабельного лотка
Особые артикулы
На данный момент нет отзывов от покупателей
Еще 20 товаров категории
check_circle
check_circle
phone
phone
Обратный звонок
Заявка успешно принята.
При отправке формы произошла ошибка. Повторите попытку позже.


























