



Низковольтное оборудование
Инструмент ручной, средства для монтажа
Светотехника
Щиты и шкафы, шинопровод
Системы для прокладки кабеля
Микросхемы
Отопительные приборы, вентиляция, технологические и инженерные системы
Инструмент, измерительные приборы и средства защиты
Садовый инструмент и инвентарь


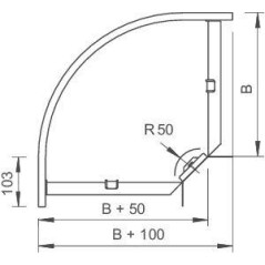
| Код | CLP2P-100-400 |
| Бренд | IEK |
| Гарантийный срок | 3 года |
| Страна | Российская Федерация |
| Серия | ESCA |
Особые артикулы
На данный момент нет отзывов от покупателей


check_circle
check_circle




































